ইউকিং টংডা ওয়্যার ইলেকট্রিক ফ্যাক্টরির মাইক্রো সুইচ সিরিজের বেঞ্চমার্ক মডেল হিসাবে, ওয়েইপেং ইলেক্ট্রনিক কম্পোনেন্ট লিভার মাইক্রো সুইচ এর মূল সুবিধা হিসেবে "উচ্চ সংবেদনশীলতা, অতি-দীর্ঘ জীবনকাল, এবং বহু-পরিকল্পনা অভিযোজনযোগ্যতা" বৈশিষ্ট্যযুক্ত। কোম্পানির 35 বছরের সুইচ উত্পাদন দক্ষতাকে একীভূত করে, এটি গৃহস্থালীর যন্ত্রপাতি, স্বয়ংচালিত ইলেকট্রনিক্স, শিল্প অটোমেশন এবং অন্যান্য ক্ষেত্রে একটি মূল নিয়ন্ত্রণ উপাদান হয়ে উঠেছে, এটির ন্যূনতম যোগাযোগের ব্যবধান এবং দ্রুত অ্যাকশন মেকানিজমের জন্য ধন্যবাদ। এর কার্যকারিতা এবং নির্ভরযোগ্যতা বিশ্বব্যাপী একাধিক প্রামাণিক সংস্থা দ্বারা প্রত্যয়িত হয়েছে, কুলুঙ্গি বাজারে এর মূলধারার অবস্থান সুরক্ষিত করে।
মাইক্রো সুইচ ভূমিকা
পণ্যটি UL, C-UL, ENEC, VDE, CE, CB, TUV, CQC, এবং KC সহ প্রধান বিশ্বব্যাপী নিরাপত্তা শংসাপত্রগুলি পেয়েছে, IEC 61058 মান মেনে চলে এবং ইউরোপ, আমেরিকা এবং এশিয়া-প্যাসিফিক অঞ্চলে বাজার অ্যাক্সেসের প্রয়োজনীয়তা পূরণ করে৷ কোম্পানি ISO9001 এবং IATF 16949 মান ব্যবস্থাপনা সিস্টেম সার্টিফিকেশন অর্জন করেছে এবং সম্পূর্ণ উৎপাদন প্রক্রিয়া জুড়ে পরিশ্রুত নিয়ন্ত্রণ নিশ্চিত করে RoHS এবং REACH পরিবেশগত নির্দেশাবলী কঠোরভাবে প্রয়োগ করে। 6টি জাতীয় উদ্ভাবন পেটেন্ট এবং 48টি ইউটিলিটি মডেল পেটেন্ট সহ, HK-14 সিরিজ শিল্প-নেতৃস্থানীয় নির্ভরযোগ্যতা এবং ধারাবাহিকতা অর্জন করে।
ইনস্টলেশন এবং ব্যবহারের নির্দেশিকা
ইনস্টল করার সময়, সুইচটি একটি সমতল পৃষ্ঠে মাউন্ট করতে হবে এবং অসম পৃষ্ঠের কারণে ত্রুটি বা কেসিংয়ের ক্ষতি রোধ করতে একটি ফ্ল্যাট ওয়াশার বা স্প্রিং ওয়াশার দিয়ে বেঁধে রাখতে হবে। পরিবেশের উপর ভিত্তি করে মডেলগুলি চয়ন করুন: আর্দ্র বা ধুলোময় অবস্থার জন্য, সুরক্ষা বাড়ানোর জন্য একটি সিল করা কাস্টম সংস্করণ ব্যবহার করার পরামর্শ দেওয়া হয়। কন্টাক্ট আটকে যাওয়া, কার্যকরী ব্যর্থতা বা এমনকি বার্নআউট প্রতিরোধ করতে বোতাম বা অ্যাকচুয়েটরে লুব্রিকেটিং তেল প্রয়োগ করবেন না। স্টোরেজের সময়, পণ্যটিকে একটি শুষ্ক, বায়ুচলাচল এলাকায় রাখুন, বৃষ্টি বা তুষার থেকে সুরক্ষিত রাখুন এবং উচ্চ তাপমাত্রা এবং আর্দ্রতা এড়িয়ে চলুন যা উপাদানটির বার্ধক্য ঘটাতে পারে, নিশ্চিত করে যে পণ্যটি তার আসল কার্যকারিতা বজায় রাখে।
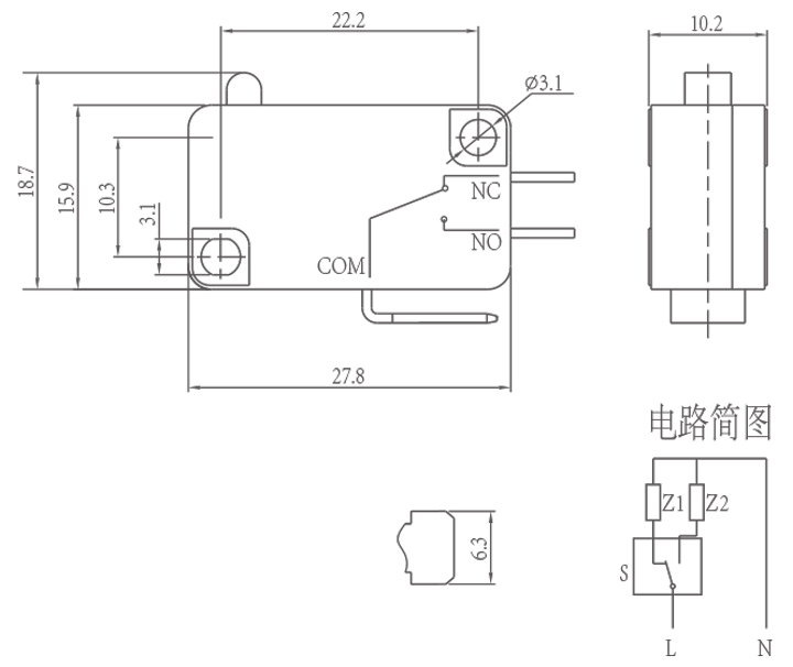
মাইক্রো সুইচ প্যারামিটার (স্পেসিফিকেশন)
| প্রযুক্তিগত বৈশিষ্ট্য পরিবর্তন করুন: | |||
| আইটেম | প্রযুক্তিগত পরামিতি | মান | |
| 1 | বৈদ্যুতিক রেটিং | 5(2)A/10A/16(3)A/21(8)A 250VAC | |
| 2 | যোগাযোগ প্রতিরোধ | ≤30mΩ প্রাথমিক মান | |
| 3 | অন্তরণ প্রতিরোধের | ≥100MΩ (500VDC) | |
| 4 |
অস্তরক ভোল্টেজ |
মধ্যে অ-সংযুক্ত টার্মিনাল |
1000V/0.5mA/60S |
|
টার্মিনালের মধ্যে এবং ধাতব ফ্রেম |
3000V/0.5mA/60S | ||
| 5 | বৈদ্যুতিক জীবন | ≥50000 চক্র | |
| 6 | যান্ত্রিক জীবন | ≥1000000 চক্র | |
| 7 | অপারেটিং তাপমাত্রা | -25~125℃ | |
| 8 | অপারেটিং ফ্রিকোয়েন্সি |
বৈদ্যুতিক :15 চক্র যান্ত্রিক: 60 চক্র |
|
| 9 | ভাইব্রেশন প্রুফ |
কম্পন ফ্রিকোয়েন্সি: 10~55HZ; প্রশস্ততা: 1.5 মিমি; তিনটি দিক: 1H |
|
| 10 |
সোলার ক্ষমতা: নিমজ্জিত অংশের 80% এর বেশি সোল্ডার দিয়ে আবৃত করা হবে |
সোল্ডারিং তাপমাত্রা :235±5℃ নিমজ্জন সময় : 2~3S |
|
| 11 | সোল্ডার তাপ প্রতিরোধের |
ডিপ সোল্ডারিং : 260±5℃ 5±1S ম্যানুয়াল সোল্ডারিং: 300±5℃ 2~3S |
|
| 12 | নিরাপত্তা অনুমোদন | UL,CSA,VDE,ENEC,TUV,CE,KC,CQC | |
| 13 | পরীক্ষার শর্তাবলী |
পরিবেষ্টিত তাপমাত্রা: 20±5℃ আপেক্ষিক আর্দ্রতা: 65±5% RH বায়ুর চাপ: 86~106KPa |
|
মাইক্রো সুইচ বৈশিষ্ট্য এবং অ্যাপ্লিকেশন
মাইক্রো সুইচ বিবরণ
