প্লাগ কলাম টাইপ বোতামের মাইক্রো স্যুইচটিতে একটি ছোট যোগাযোগের ব্যবধান এবং একটি দ্রুত ক্রিয়া প্রক্রিয়া রয়েছে এবং নির্দিষ্ট স্ট্রোক এবং বলের সাথে অ্যাকশন স্যুইচ করার জন্য যোগাযোগের প্রক্রিয়াটি শেল দ্বারা আচ্ছাদিত থাকে এবং বাইরের দিকে একটি সংক্রমণ থাকে এবং আকারটি ছোট।
পণ্য পরিচয়uction
পুশ-টু-পুশ মাইক্রো সুইচগুলি একটি সাধারণ বৈদ্যুতিন উপাদান যা কোনও সার্কিটের অন এবং অফ স্টেট নিয়ন্ত্রণ করতে ব্যবহৃত হয়। এটি সাধারণত একটি বোতাম এবং একটি স্যুইচ থাকে যা বোতামটি চাপলে অবস্থার পরিবর্তন করে।
পুশ বাটন সুইচগুলি একটি জ্বলজ্বলে প্রভাব ব্যবহার করতে পারে, যখন বোতামটি টিপানো হয়, ব্যবহারকারীর দৃষ্টি আকর্ষণ করতে বোতামটি ঝলকানো হবে।
পণ্য আবেদনটিওন এবং স্পেসিফিকেশন
প্লাগ কলাম টাইপ বোতাম মাইক্রো সুইচগুলি আলো নিয়ন্ত্রণ করতে ব্যবহার করা যেতে পারে, যখন বোতামটি টিপানো হয়, আলো চালু বা বন্ধ হয়ে যাবে। এটি বৈদ্যুতিক সরঞ্জাম, এয়ার কন্ডিশনার ইত্যাদির স্যুইচ নিয়ন্ত্রণ করতেও ব্যবহার করা যেতে পারে, শিল্প ক্ষেত্রে, পুশ বোতামের সুইচগুলি যান্ত্রিক সরঞ্জামগুলির শুরু এবং স্টপ নিয়ন্ত্রণ করতে ব্যাপকভাবে ব্যবহৃত হয় he তবে এটি গৃহস্থালী, শিল্প, স্বয়ংচালিত বা বৈদ্যুতিন সরঞ্জাম, এটি এই সাধারণ নিয়ন্ত্রণ উপাদান থেকে অবিচ্ছেদ্য।
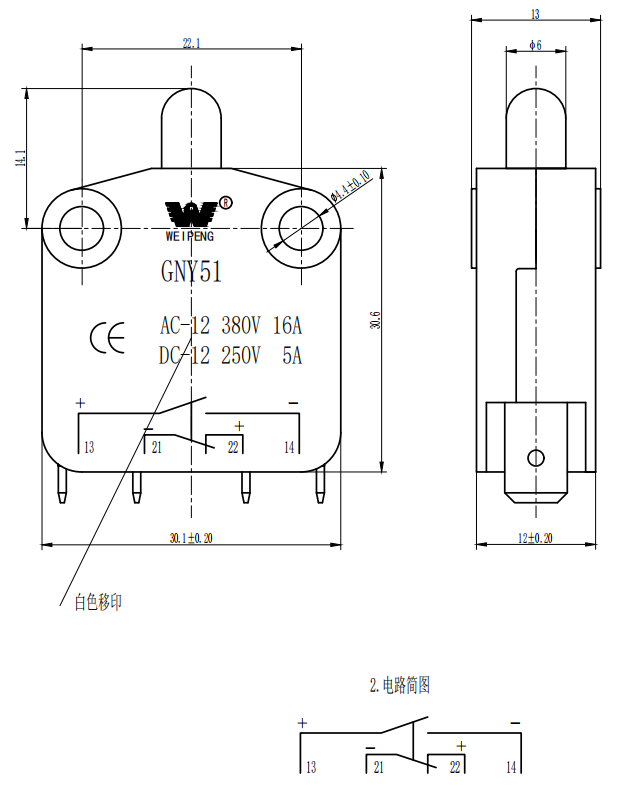
| প্রযুক্তিগত বৈশিষ্ট্যগুলি স্যুইচ করুন: | |||
| আইটেম | প্রযুক্তিগত প্যারামিটার | মান | |
| 1 | বৈদ্যুতিক রেটিং | 16 এ 250vac | |
| 2 | যোগাযোগ প্রতিরোধের | ≤50MΩ প্রাথমিক মান | |
| 3 | নিরোধক প্রতিরোধ | ≥100MΩ (500vdc) | |
| 4 |
ডাইলেট্রিক ভোল্টেজ |
মধ্যে সংযুক্ত টার্মিনাল |
500V/0.5ma/60s |
| টার্মিনালের মধ্যে এবং ধাতব ফ্রেম |
1500v/0.5ma/60s | ||
| 5 | বৈদ্যুতিক জীবন | ≥50000 চক্র | |
| 6 | যান্ত্রিক জীবন | ≥100000 চক্র | |
| 7 | অপারেটিং তাপমাত্রা | -25 ~ 125 ℃ | |
| 8 | অপারেটিং ফ্রিকোয়েন্সি | বৈদ্যুতিক: 15 চক্র যান্ত্রিক: 60 চক্র |
|
| 9 | কম্পন প্রমাণ | কম্পনের ফ্রিকোয়েন্সি: 10 ~ 55Hz; প্রশস্ততা: 1.5 মিমি; তিনটি দিক: 1 ঘন্টা |
|
| 10 | সোল্ডার ক্ষমতা: নিমজ্জনিত অংশের 80% এরও বেশি সোল্ডার দিয়ে আচ্ছাদিত করা হবে |
সোল্ডারিং তাপমাত্রা: 235 ± 5 ℃ ℃ নিমজ্জন সময়: 2 ~ 3 এস |
|
| 11 | সোল্ডার হিট রেজিস্ট্যান্স | ডিপ সোল্ডারিং: 260 ± 5 ℃ 5 ± 1 এস ম্যানুয়াল সোল্ডারিং: 300 ± 5 ℃ 2 ~ 3 এস |
|
| 12 | সুরক্ষা অনুমোদন | উল 、 CSA 、 tuv 、 CQC 、 CE | |
| 13 | পরীক্ষার শর্ত | পরিবেষ্টিত তাপমাত্রা: 20 ± 5 ℃ আপেক্ষিক আর্দ্রতা: 65 ± 5%আরএইচ বায়ুচাপ: 86 ~ 106 কেপিএ |
|
পণ্য বিশদ


