প্লাস্টিক ম্যাগনেটিক মাইক্রো সুইচ হল একটি সুইচ ডিভাইস যা চৌম্বক ক্ষেত্রের সংকেতের মাধ্যমে সার্কিটের অন-অফ নিয়ন্ত্রণ করে। এর মূল বৈশিষ্ট্যটি যোগাযোগহীন অপারেশন, তাই এটির দ্রুত প্রতিক্রিয়া, দীর্ঘ পরিষেবা জীবন এবং উচ্চ নির্ভরযোগ্যতার সুবিধা রয়েছে এবং এটি শিল্প অটোমেশন, নিরাপত্তা, স্বয়ংচালিত এবং স্মার্ট হোম ক্ষেত্রগুলিতে ব্যাপকভাবে ব্যবহৃত হয়।
মাইক্রো সুইচ ভূমিকা
একটি চৌম্বক সুইচ হল একটি সুইচ ডিভাইস যা চৌম্বক ক্ষেত্রের সংকেতের মাধ্যমে সার্কিটের অন-অফ নিয়ন্ত্রণ করে। এর মূল বৈশিষ্ট্যটি যোগাযোগহীন অপারেশন, তাই এটির দ্রুত প্রতিক্রিয়া, দীর্ঘ পরিষেবা জীবন এবং উচ্চ নির্ভরযোগ্যতার সুবিধা রয়েছে এবং এটি শিল্প অটোমেশন, নিরাপত্তা, স্বয়ংচালিত এবং স্মার্ট হোম ক্ষেত্রগুলিতে ব্যাপকভাবে ব্যবহৃত হয়।
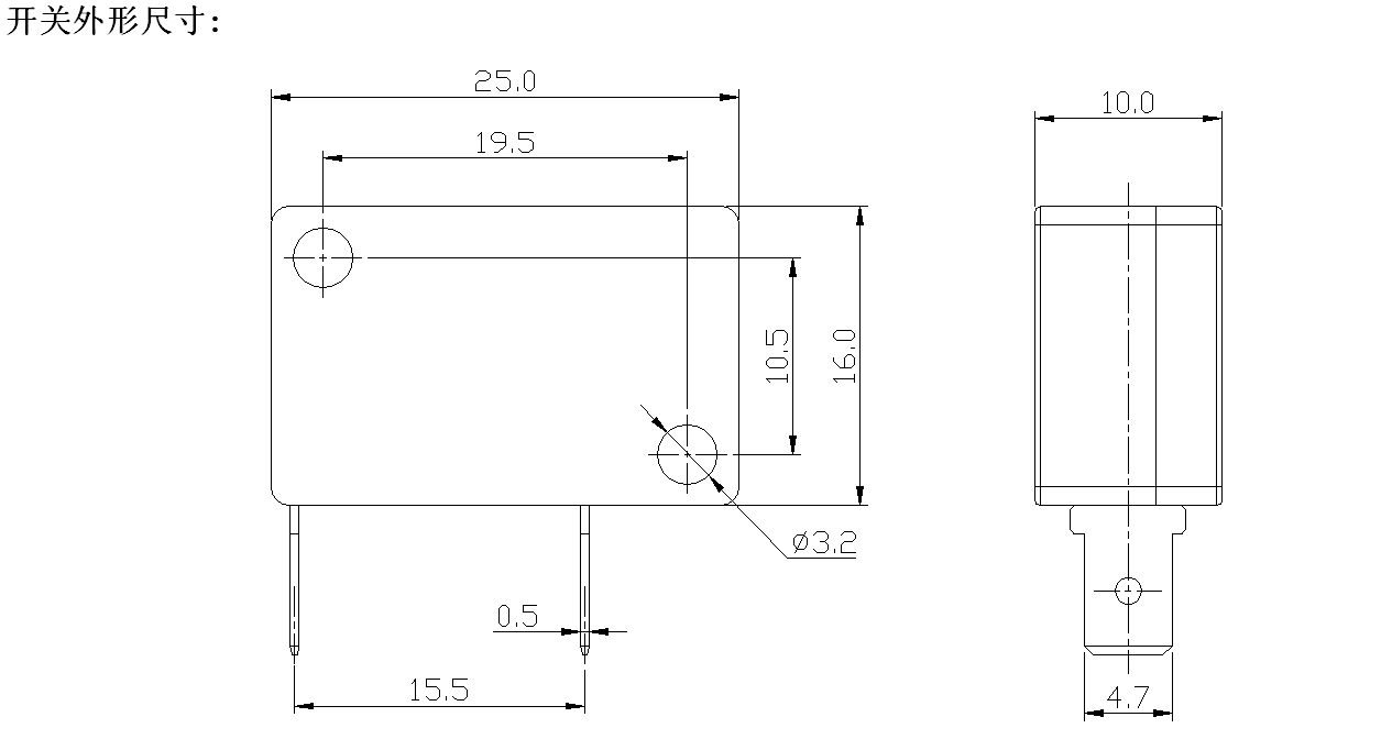
মাইক্রো সুইচ প্যারামিটার (স্পেসিফিকেশন)
| প্রযুক্তিগত বৈশিষ্ট্য পরিবর্তন করুন: | |||
| আইটেম | প্রযুক্তিগত পরামিতি | মান | |
| 1 | বৈদ্যুতিক রেটিং | 5(2)A/10A/16(3)A/21(8)A 250VAC | |
| 2 | যোগাযোগ প্রতিরোধ | ≤30mΩ প্রাথমিক মান | |
| 3 | অন্তরণ প্রতিরোধের | ≥100MΩ (500VDC) | |
| 4 |
অস্তরক ভোল্টেজ |
মধ্যে অ-সংযুক্ত টার্মিনাল |
1000V/0.5mA/60S |
|
টার্মিনালের মধ্যে এবং ধাতব ফ্রেম |
3000V/0.5mA/60S | ||
| 5 | বৈদ্যুতিক জীবন | ≥50000 চক্র | |
| 6 | যান্ত্রিক জীবন | ≥1000000 চক্র | |
| 7 | অপারেটিং তাপমাত্রা | -25~125℃ | |
| 8 | অপারেটিং ফ্রিকোয়েন্সি |
বৈদ্যুতিক :15 চক্র যান্ত্রিক: 60 চক্র |
|
| 9 | ভাইব্রেশন প্রুফ |
কম্পন ফ্রিকোয়েন্সি: 10~55HZ; প্রশস্ততা: 1.5 মিমি; তিনটি দিক: 1H |
|
| 10 |
সোলার ক্ষমতা: নিমজ্জিত অংশের 80% এর বেশি সোল্ডার দিয়ে আবৃত করা হবে |
সোল্ডারিং তাপমাত্রা :235±5℃ নিমজ্জন সময় : 2~3S |
|
| 11 | সোল্ডার তাপ প্রতিরোধের |
ডিপ সোল্ডারিং : 260±5℃ 5±1S ম্যানুয়াল সোল্ডারিং: 300±5℃ 2~3S |
|
| 12 | নিরাপত্তা অনুমোদন | UL,CSA,VDE,ENEC,TUV,CE,KC,CQC | |
| 13 | পরীক্ষার শর্তাবলী |
পরিবেষ্টিত তাপমাত্রা: 20±5℃ আপেক্ষিক আর্দ্রতা: 65±5% RH বায়ুর চাপ: 86~106KPa |
|
মাইক্রো সুইচ বৈশিষ্ট্য এবং অ্যাপ্লিকেশন
মাইক্রো সুইচ বিবরণ
