স্বতন্ত্র দ্বৈত-মেরু সীমা ট্র্যাভেল স্যুইচ যান্ত্রিক গতি দ্বারা ট্রিগার একটি স্বয়ংক্রিয় নিয়ন্ত্রণ উপাদান। এর মূল ফাংশনটি হ'ল সার্কিটগুলি খোলার এবং বন্ধ হওয়া, সরঞ্জামের শুরু এবং স্টপ বা সুরক্ষা সীমাবদ্ধ করার জন্য কোনও বস্তুর স্থানচ্যুতি বা স্ট্রোক সনাক্ত করা। এটি শিল্প অটোমেশন এবং ইলেক্ট্রোমেকানিকাল সরঞ্জামগুলিতে একটি অপরিহার্য 'সুরক্ষা সেন্টিনেল' এবং 'অ্যাকশন কমান্ডার'।
স্যুইচ পরিচয়uction
ট্র্যাভেল স্যুইচ (একটি সীমা সুইচ হিসাবেও পরিচিত) যান্ত্রিক গতি দ্বারা ট্রিগার করা একটি স্বয়ংক্রিয় নিয়ন্ত্রণ উপাদান। এর মূল ফাংশনটি হ'ল সার্কিটগুলি খোলার এবং বন্ধ হওয়া, সরঞ্জামের শুরু এবং স্টপ বা সুরক্ষা সীমাবদ্ধ করার জন্য কোনও বস্তুর স্থানচ্যুতি বা স্ট্রোক সনাক্ত করা। এটি শিল্প অটোমেশন এবং ইলেক্ট্রোমেকানিকাল সরঞ্জামগুলিতে একটি অপরিহার্য 'সুরক্ষা সেন্টিনেল' এবং 'অ্যাকশন কমান্ডার'।
স্যুইচ আবেদনটিওন
হোম অ্যাপ্লিকেশন এবং স্মার্ট হোম এ আবেদন:
ওয়াশিং মেশিন:সামনের লোডিং ওয়াশিং মেশিনের দরজায় একটি সীমা স্যুইচ ইনস্টল করা হয়। সরঞ্জামটি কেবল তখনই শুরু হবে যখন দরজাটি সম্পূর্ণ বন্ধ হয়ে যায় এবং স্যুইচটি সার্কিটটি সক্রিয় করে, যা অপারেশনের সময় জলের ফুটো বা জামাকাপড় ফেলে দেওয়া থেকে বাধা দেয়।
রেফ্রিজারেটর/ওভেন:যখন একটি রেফ্রিজারেটরের দরজা বন্ধ থাকে, তখন স্যুইচটি অভ্যন্তরীণ আলো বন্ধ করতে ট্রিগার করে। বিপরীতে, যদি কোনও ওভেনের দরজা নিরাপদে বন্ধ না হয় তবে স্যুইচটি তাপ ফুটো রোধ করতে গরম করার উপাদানগুলিতে শক্তি কেটে ফেলবে।
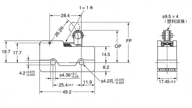
স্যুইচ বিশদ
